Pošta

Listárna - poradna pro Vás a vaši regulaci.

Napřed hledejte na serveru

Hledej na serveru   Z časových důvodů a četnosti dotazů už nejsem schopen odpovídat do druhého dne, jak jsem byl zvyknutý, nicméně odpověď mi měla dojít v nejkratším možném termínu, maximálně do týdne.
   Též z důvodu častých opakujících se dotazů, jsem se rozhodl na tyto neodpovídat. Jestliže Vám nepřijde odpověď do týdne, tak odpověď se nalézá na tomto webu. Jestliže si jste jistý, že odpověď tu není, tak mě znovu upomeňte a já Vám pošlu odkaz na odpověď.
   Prosím dodržujte postup, že nejprve prohledáte tento web, 90% odpovědí už tu je, a až následně píšu dotaz. Děkuji.

Bezdrátový termostat na kotel Junkers

   Dobrý den, mám kotel Junkers ZWE 24-3 MFA pro topení a pro ohřev teplé vody. Ovládací jednotka je Ceracontrol TR 200. Rád bych ji nahradil bezdrátovým termostatem Tado. Kotel i jednotka jsou umístěny v provozních prostorech, kde 4 dny v týdnu nikdo není, případně je, ale v objemu jednotek hodin. Jinak je kotel vypnutý, topení vypnuta. U řešení Tado chci dosáhnout pouštění kotle a topení, na které jsem dal chytré hlavice Tado X, a tudíž ohřívání před příchodem / používaní prostor a také individuální ovládaní radiátorů na dálku. Prošel jsem si diskuse a rady na vašem webu, ale nikde jsem nenasel zmíněná zařízení značky Tado. Prosím tedy o radu, zda lze na tento kotel a jednotku (případně rovnou na kotel, aby to nebylo pouze řešení ON/OFF) napojit chytrý termostat (bezdrátový) značky Tado. Případně, pokud by to bylo složitější, pokud byste byl tak laskav a měl někoho šikovného z řad instalatérů / elektrikářů / topenářů z Prahy. Děkuji velice.

RVA 63.242 pro hlídání zpátečky

Mám RVA 63.242.
2-teplotné príložné čidlá QAD21 zapojené na:
 - výstup z teplovodných krbových kachlí
 - na spiatočku teplovodných krbových kachlí
 - čerpadlo Wilo; 3-cestný ventil ESBE
Chcel by som Vás pekne poprosiť o radu ako zapojiť / nastaviť - aby držalo teplotu spiatočky cca 60-stupňov. V minulosti pred vytopením nehnuteľnosti som používal na ovládanie plynového kotla/ÚK/podlahovky/TÚV. Vopred Vám ďakujem

Kotel Baxi Luna Platinum - stálý běh

   Dobrý den. Mám kotel Baxi Luna Platinum + při zapnutí topného systému na začátku topné sezóny jen kotel nahřál podlahu a vypnul. Teď poslední dobou jede pořád. Nemáme termostat. Nastavení kotle je: automaticky provoz 6:30-8:00 je komfortní teplota, pak už jen útlumová. Kotel se vypne jen po 8:00 hodině, kdy se přepne úsporný režim. Po zchladnutí systému zapne a běží až do dalšího dne a vůbec nevypne. Děkuji za odpověď.

Chyba čerpadla PWM

   Dobrý den, mám TČ EcoAir 415 Regulus. Oběhové čerpadlo mezi TČ a aku nádrží je Wilo Yonos PARA PWM1 bez možnosti ručního ovládání. Když bylo oběhové čerpadlo zapojené na spínaný výstup z regulátoru IR12 tak se točilo pár vteřin, cvaklo a vypnulo-zapnulo-cvaklo-vypnulo stále dokola. Výstupní teplota ukazovala 48 stupňů a v aku nádrži 27. Při odmrazování to samozřejmé hodilo chybu, protože se do TČ nedostal dostatek teplé vody. Při mrazech v minulém týdnu jsem ze zoufalství zapojil ob. čerpadlo natvrdo na 220v a naštěstí se rozjelo i když nevypíná při vypnutí TČ. Oběhové čerpadlo není řízeno PWM signálem – není tam modul ani nejsou připojeny kabely. Nechal jsem běžet čerpadlo natvrdo asi 3dny a po přepnutí zase na spínaný výstup z regulátoru už běží bez problému. Nevím, jestli je v tom regulátoru nějaký frekvenční měnič, protože při připojeném čerpadle naměřím max 119v a při odpojeném 230v. Možná bylo jen zanešený čerpadlo nebo pucek ve výměníku i když to je asi blbost.
   Omlouvám se, že se obracím na Vás, ale kdysi jsem Regulusu něco nepodepsal a oni mi to dávají teď sežrat a nikoho sem schválně nepošlou i když jsem jim říkal, že to zaplatím. Děkuji za odpověď, jste asi jediný, kdo by mi mohl poradit.

Problém s TR200

   Dobrý den, prosím o radu. Na TR 200 mám nastavenou teplotu na 21°C, ale i při dosažení teploty kotel stále topí, takže natopí na vyšší teplotu, než máme nastavenou na kolečku. Začalo se to dít po výpadku proudu. Měli bychom termostat nechat na „manuálním režimu“ značka topení nebo spíše automatickým režimu. Takže aby nepřetápěl, tak musíme ráno při odchodu do práce zapínat „sporo“ – měsíček. Mockrát děkuji za jakoukoliv radu.

Dvoubodové zapojení akumulační nádrže a regulace dvou zdrojů

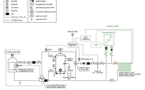
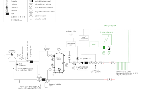
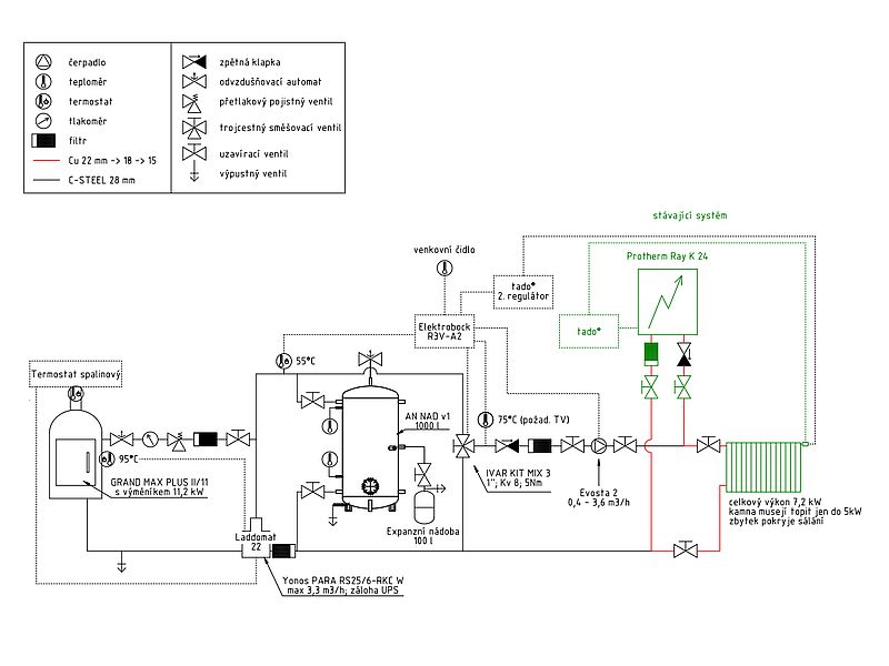
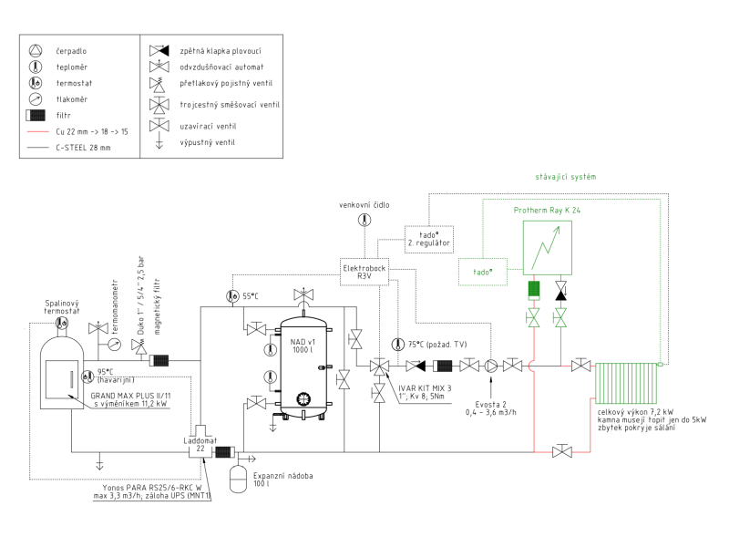
   Vážený pane Valtere, kontaktuji Vás s prosbou o radu ve dvou tématech: zapojení akumulační nádrže a regulace dvou zdrojů. Před dotazem jsem se pokusil najít všechny dostupné informace na Vašich stránkách i mimo ně, ale pořád si nejsem úplně jistý. Budu moc rád, pokud rozeženete moje pochyby, předem moc děkuji. Vycházím zejména z těchto třech příspěvků:
https://jvalter.cz/akumulacni-nadrz-styl-zapojeni
https://jvalter.cz/hydraulicke-zapojeni-akumulacni-nadrze-bypass
https://forum.tzb-info.cz/120154-akumulacni-nadrz-dvoubodove-pripojeni-s-ohledem-na-bezpecnost
a z dokumentace Atmos https://www.atmos.eu/wp-content/uploads/2024/05/Sestavy-pro-kotle-varianty-zapojeni_1.-2.-2024.pdf
Obecné info: Jde o vytápění pro rodinný dům / chalupu s nepravidelným víceméně víkendovým provozem. V současnosti jsou v domě radiátory s chytrými hlavicemi a elektrokotel spínaný přes internet (systém tado°). Ve schématu je stávající topný systém zaznamenán barvami. Nyní budeme doplňovat systém o krbová kamna s výměníkem a akumulační nádrž. V poslední fázi se pak krbová kamna vymění za stavěná akumulační kamna s výměníkem a zapojí se i podlahové topení, ale to není předmětem mého dotazu, to je jen pro úplnost.
K problematice dvoubodového zapojení: Kvůli nárazovému provozu jsem chtěl, aby radiátory začaly hřát co nejrychleji. Důvod: Elektrokotlem si před příjezdem přitopíme raději jen v jedné místnosti – pokud bychom měli předehřívat celý dům, tak nás i nárazový provoz 4x za měsíc vyjde dost draho. Z toho, co jsem pochopil, je jasné, že pro tento případ je ideální dvoubodové zapojení.
Nejsem si však jistý, jak to správně udělat. Ve Vašem příspěvku (hydraulické-zapojeni-akumulační-nádrže-bypass) zmiňujete nějaké schéma zapojení, které ale není součástí příspěvku – píšete: "Pozor, pro správné nabíjení a vyplachování nádrže je důležité udělat zapojení přesně jak je nakresleno na schématu (ty kolena a T-kusy tam nejsou jen tak ;-)" Pak jsem narazil na fotografie od Atmosu a možná jsem pochopil, co tím myslíte. Je to toto? https://m.tzb-info.cz/docu/clanky/0114/011464o5.jpg - od kotle vede potrubí do AN, připojené kolenem, ale před kolenem je t-kus směřující dolů a připojená odbočka do spotřebičů. Symetricky je to i na vratce. I ze schémat od Atmosu např. na straně 31 (schéma 13) je to takto čitelné (jen tam není ta zavírací odbočka do středu nádrže). Při tom hledání jsem ale narazil i na jiná zapojení, např zde: https://www.stavebnictvi3000.cz/images/resized/2012/1024x800-fit/11_atmos_1.jpg Tam je to řešené o trošku jednodušší cestou, bez kolena, t-kusem se odbočuje do AN. Zajímalo mě, jestli jsou obě tato připojení přípustná a funkční. Pro mě by bylo jednodušší jet potrubím ve stejné výšce, ve které se připojuje výměník (což je pro obě větve někde uprostřed výšky AN) a v ose nátrubků pak odbočit T-kusem
-pro TV nahoru a kolenem do AN
-pro ZV dolů a kolenem do AN
...viz nákres rukou.
   Ve druhém příspěvku (akumulační-nádrž-styl-zapojeni) zase zmiňujete několik podmínek:
 1. Dynamický tlak kotlového čerpadla je větší než čerpadel spotřebičů, aby nedocházelo přisávání chladnější vody z nádrže.
 2. Odborně udělané zapojení (u kotlového čerpadla je zpětná klapka a odpor okruhu akumulační nádrže je podstatně menší než u kotlového okruhu).
 3. Tlakové a průtokové vyvážení.
   Dokážete z mého schématu vyčíst, jestli je možné, aby tyto podmínky byly splněny, prosím?
   Potrubí i čerpadla jsou popsána. Od kamen k AN je trasa dlouhá cca 2,5m. Od AN k připojení do stávajícího otopného okruhu je to podstatně delší cesta, cca 6 m. V plánu je připojit vše 28 mm / G1" a redukcí se napojit na topný okruh, který začíná u elektrokotle průměrem 22 mm a klesá na 18 mm. Bylo by lepší, pokud bych za AN už vedl 22 mm / G3/4"? V diskuzi na tzb jsem se dočetl, že se to někdy řeší škrcením průtoku pomocí ventilů, ale já bych byl radši, kdyby to bylo co nejjednodušší, bez elektricky řízených komponent.
   Pak mám ještě dva doplňující dotazy:
 1) Kam se má umístit zmiňovaná zpětná klapka? Na fotografiích od Atmosu klapku nikde nevidím. Laddomat má automatický ventil, který se v jistých případech otvírá a začne běžet samotíž.
 2) Kam je nejlepší umístit expanzní nádobu, může být připojená takto k AN nebo bude lepší dát ji na vratku před Laddomat?
K problematice regulace: Přemýšlím, jak to udělat co nejjednodušším způsobem, abych nemusel měnit již stávající regulaci tado°, se kterou jsem velice spokojený.
   Vím, že se v tado° vyznáte, ale napíšu to pro ostatní trochu obšírně. Tak tedy: tado° zapíná a reguluje elektrokotel pomocí opentherm protokolu a zároveň reguluje teplotu v místnostech škrcením nebo otevíráním ventilů na radiátorech. Každá místnost může být přiřazena k jednomu regulátoru nebo může být nastavena jako nezávislá (např. v systémech ústředního topení), takže s požadavkem tepla jen otevře ventil, ale nezapíná žádný zdroj. V mém případě požadavek tepla v místnosti otevře ventil a zapne elektrokotel, pokud již neběží. Teď přidáváme druhý zdroj...a nechceme, aby běžely oba současně. Nejprve mě napadl nejhloupější způsob: pořídit ještě jeden tado° regulátor, nastavit ho jako relé on/off a zároveň se zatopením v kamnech ručně všechny místnosti přehodit v aplikaci na toto relé. Otázka 1 minuty.
   Relé by pak místo kotle spouštělo oběhové čerpadlo okruhu AN.
   Protože tado° neumí pracovat s třícestnými ventily, tak k regulaci teploty TV bych použil ekvitermní Elektrobock R3V-A2. Elektrobock R3V-A2 by sepnul čerpadlo po splnění dvou podmínek:
   - na odbočce do AN teplota min 50 °C (teoretický návrh)
   - tado° chce topit
   Pokud Vás napadá něco chytřejšího, kde nebudu muset v appce přehazovat místnosti, tak budu nadšený. Budu se těšit na odpověď. A moc děkuji za veškerou pomoc, kterou prostřednictvím Vašeho webu poskytujete. S přáním krásného víkendu, Marek, okr. Mělník

Stránky